Монтаж открытой электропроводки: обзор технологии работ + разбор основных ошибок
Электропроводку прокладывают двумя способами – закрытым и открытым. В первом случае коммуникации замаскированы, а вероятность их повреждения минимальна. Монтаж открытой электропроводки проще, дешевле и менее трудоемок, однако приходится защищать кабели от влаги, механических повреждений.
Что думают электрики об открытой проводке?
Минусов у открытой (внешней) электропроводки гораздо больше, чем у скрытой (внутренней).
Кабели, закрытые штукатуркой, не повреждаются, не мешают при ремонте и абсолютно незаметны. Открытая проводка лишена таких достоинств, а в случае короткого замыкания она загорится с большей вероятностью, нежели скрытая. Открытый способ монтажа электропроводки часто выбирают для деревянных домов .
В деревянных домах укладка электрокабеля открытым способом — это вынужденная мера, т.к. скрытая укладка кабелей бывает затруднена или вообще невозможна
Некоторые преимущества у открытого способа монтажа все же есть:
- Упрощение укладки . При прокладке электрокабелей не приходится штробить стены. Это сокращает трудозатраты, объем работ. После монтажа практически не остается строительного мусора.
- Удешевление . Здесь речь идет об экономии на оплате услуг электриков.
- Возможность изменения схемы прокладки кабелей . Если в планы на будущее входит перепланировка разводки, то лучше выбрать открытый способ монтажа.
При выборе открытого способа укладки электропроводов следует учесть, что их придется маскировать и защищать от внешних воздействий. Всегда есть вероятность попадания влаги или случайного повреждения.
При монтаже коробок, розеток, выключателей часто возникают сложности. Перед началом работ нужно тщательно изучить особенности их установки или доверить работу электрику
Если дом жилой, нужно трижды все взвесить. Желательно проконсультироваться с опытным электриком, а при монтаже необходимо учитывать повышенные риски и особенно тщательно следить за соблюдением мер безопасности.
Особенности внешней укладки электрокабелей
Внешний монтаж подходит, если нужно проложить электрокабели в углах помещения, в местах стыка потолка и стен, вдоль плинтуса.
Чаще всего сложности возникают при обустройстве открытой проводки в домах с подвесными потолками. Кабели нельзя вести по таким потолкам, приходится фиксировать их на стены.
Один из минусов открытой проводки – непрезентабельный вид, однако для ретро-интерьера она подойдет идеально. Единственный нюанс – придется дополнительно потратиться на стилизацию. Это дорого
Если проводов много, их лучше уложить в пропускные каналы. При разработке схемы монтажа нужно тщательно выбрать места, где будут подключены ответвительные и соединительные коробки . Должен сохраняться свободный доступ для осмотров и возможных ремонтов коммуникаций.
Способы открытого монтажа проводки
Изначально единственным открытым способом монтажа была прокладка скрученных электропроводов по стенам и потолку. Их крепили на керамические изоляторы.
В некоторых домах, построенных около столетия назад, до сих пор проводка проложена именно так. Относительно недавно похожий монтаж снова приобрел популярность. Это связано с модой на старину.
Если сотню лет назад открытая электропроводка на керамических изоляторах считалась нормой, то теперь это стилизация под старину. В эпоху массовой унификации вещей, предметов мебели и интерьера особую популярность приобретают необычные способы оформления помещений, и это один из них
При оформлении помещений в ретро-стиле нередко возникают проблемы с поиском материалов. Некоторые производители выпускают керамические изоляторы, розетки, выключатели «под старину», однако подобная роскошь обходится очень недешево.
Подходящие материалы для оформления проводки в стиле ретро можно найти не только в дорогих магазинах. Часто их приобретают у старьевщиков, покупают у владельцев домов, построенных в начале прошлого века, а кабели изготавливают самостоятельно, скручивая многожильные медные провода.
Дизайнерская фантазия не знает границ. Нередко можно увидеть интерьеры, оформленные при помощи элементов разных стилей. Один из удачных вариантов – сочетание ретро- и лофт-стилистики
Интерьерная мода переменчива, поэтому стоит всерьез обдумать, нужно ли оформлять проводку в стиле ретро. Лучше выбрать более популярный и надежный вариант. Тогда в случае ремонта не придется снова заниматься электромонтажными работами.
Предлагаем подробно рассмотреть популярные способы прокладки открытой проводки и выбрать технологию, наиболее подходящую для вашего дома.
Способ 1 — монтаж проводов на скобах
Для подключения розеток и выключателей выбирают электропровода сечением 2.5 мм.кв., а для осветительных приборов — 1.5 мм.кв. Иногда требуются более толстые кабели. Если толщина провода составляет 1.5-6 мм.кв., их можно просто прикрепить к поверхностям стен и потолков скобами.
При покупке кабелей стоит отдать предпочтение качественной продукции. Если выбор сделан в пользу дешевых проводов, тогда под них монтируют негорючие прокладки, чтобы снизить риск возгорания при коротком замыкании.
К их выбору следует отнестись крайне внимательно, ведь от них зависит в будущем функциональность и безопасность домашней электросети. Рекомендуем посмотреть информацию о том, как рассчитать сечение провода для домашней проводки.
Чаще всего используют полосы металла или асбеста. Их закрепляют так, чтобы негорючая прокладка выступала за пределы кабеля не менее чем на 1 см с каждой стороны. Что касается материала, то лучше выбрать металл, т.к. асбест вреден для здоровья людей: доказана его связь с онкологическими заболеваниями.
Иногда для обеспечения пожарной безопасности обустраивают зазор в 1 см между электрокабелем и стеной. Такой метод прокладки напоминает проводку на керамических изоляторах в ретро-стиле. Его используют в деревянных домах, на дачах, в нежилых помещениях
Крепление на скобах – дешевый и простой способ монтажа электропроводки. Из минусов – это небезопасно и некрасиво. Если уложено несколько кабелей, то они бросаются в глаза и портят впечатление от интерьера. В жилом доме лучше проложить провода в кабель-каналах.
Способ 2 — особенности укладки в трубах
Современная промышленность выпускает специальные электротехнические трубы. Они могут быть изготовлены из металла или пластика, хорошо защищают от пожара, случайных механических повреждений и поражения током.
Для монтажа удобнее всего использовать гофрированные трубы . Они гибкие, благодаря чему при креплении на стены не приходится дополнительно выравнивать поверхности. Проводка в гофротрубе – идеальный вариант для деревянных бревенчатых домов. Она удобна и выглядит гораздо аккуратнее, чем отдельные провода.
Из-за сомнительной эстетичности гофры ее нечасто используют в жилых домах, зато она прекрасно подходит для подводки кабелей от воздушных ЛЭП. Иногда с целью улучшения внешнего вида открытой электропроводки внутри комнат применяют цветные гофротрубы.
При монтаже проводов в деревянном доме учитывают особенности стройматериала. Через деревянные стены проводку укладывают с помощью специальных металлических втулок. Они нужны для защиты кабелей от пережимания, если натуральная древесина даст усадку
При расчете диаметра гофры ориентируются на совокупную толщину всех проводов, которые будет проложены в ней. Эту цифру умножают на 2, поскольку при меньшем сечении трубы в нее будет трудно проложить кабели.
Для облегчения прокладки используют гофротрубы со специальным зондом (проволокой, с помощью которой протягивают кабели). К зонду прикрепляют провода и протягивают их сквозь трубу, крепко удерживая ее в руках.
Если требуется проложить относительно небольшой кусок провода, вполне можно обойтись без зонда, а вот для больших отрезков лучше воспользоваться специальными приспособлениями.
Устройство проводки в полимерной гофре производят в следующем порядке:
Гофрированные электротехнические трубы крепят к стенам на шурупы, дюбель-гвозди или пластиковые клипсы. Расстояние между точками крепления рассчитывают в зависимости от диаметра и, соответственно, предполагаемого веса. Если диаметр гофротрубы составляет 16 мм, то места крепежей располагают на расстоянии 30–40 см, а для труб 32-40 мм это расстояние уже меньше – 20-30 см.
Перед началом электротехнических работ составляют схему. Важно, чтобы гофрированные трубы не пересекались и не перекрещивались, т.к. это нарушает требования безопасности и некрасиво выглядит
Клипсы монтируют на стены, а потом просто вставляют в них гофротрубу. Такой способ крепежа удобен тем, что при демонтаже достаточно потянуть на себя трубу, и клипсы легко отсоединятся.
Способ 3 — прокладка в коробах
Для прокладки проводов используют жесткие электротехнические короба, кабель-каналы , плинтуса. Эти приспособления изготавливают из металла или негорючего пластика. В отличие от гофрированных труб, жесткие конструкции нельзя устанавливать на неровные стены, т.к. дефекты поверхностей становятся только виднее.
Существует множество разновидностей кабель-каналов: одно-, двух-, трехсекционные. Также они различаются по месту установки, назначению, типоразмерам. В продаже можно встретить модели любого типа – от перфорированных до гибких, угловых или прозрачных. Важно подобрать изделия, подходящие для конкретных условий эксплуатации
Короба, каналы, плинтуса оснащены защелкивающими крышками, которые легко снимаются, что удобно для монтажа дополнительных проводов. При необходимости модернизации проводки весь процесс займет несколько минут.
Есть и другие плюсы:
- Дизайн . Короба, кабель-каналы и плинтуса выпускаются разных цветов, что позволяет декорировать помещение. Всегда можно подобрать подходящий вариант.
- Простой монтаж . Укладка кабелей в короба не требует особых усилий. Главное – правильно закрепить сами защитные конструкции.
- Удобная установка розеток и выключателей . На короба можно смонтировать розетки, и они не будут портить общий вид.
Монтажные работы начинаются с составления чертежа-схемы с разверткой стен. Он нужен для точного расчета необходимых материалов, количества крепежей, аксессуаров.
Для подбора канала по типоразмеру следует заранее определиться с сечением и количеством кабелей. Готовый план должен быть точным, без ошибок в замерах и расчетах.
Провода прокладывают не только по ровным поверхностям, но и в углах. Иногда нужно оборудовать ответвления каналов. Для этих целей используют разнотипные аксессуары. При разработке проекта следует рассчитать их количество
Технология монтажа внешней электропроводки в кабель-каналах:
Электрики советуют обращать внимание на материал основания, т.к. от этого зависит выбор крепежей. Так, на деревянную стену короба прикрепляют с помощью обычных шурупов. Для кирпичных, бетонных и каменных поверхностей используют дюбеля. А для панелей, плит из композитных материалов и фанеры лучше выбрать крепеж-бабочку.
Чтобы не пришлось подгонять форму коробов во внешних и внутренних углах, можно их отрезать с помощью обычного столярного стусла. Тогда изделия будут выглядеть аккуратно, а риск перерасхода материала из-за брака в работе существенно снизится
Каждый из способов монтажа имеет собственные достоинства, и редко бывает так, что достаточно одного метода. Зачастую приходится комбинировать кабель-каналы с гофрированными и/или металлическими трубами, крепежом на скобах.
Сооружение электропроводки с использованием кабель каналов включает ряд стандартных этапов:
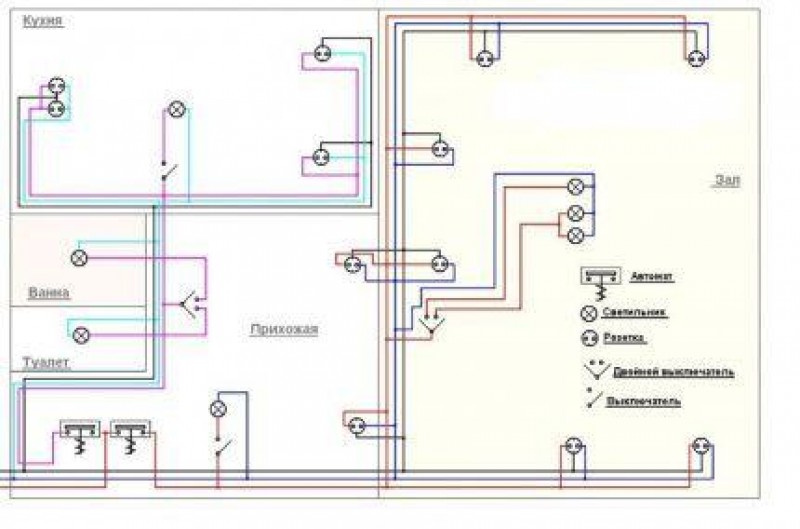
При разработке проекта электропроводки следует учитывать планировку помещения и особенности разводки кабелей на каждом из участков — будь то спальня, кухня или ванная.
10 типичных ошибок электромонтажников
Открытый способ укладки электрокабелей проще закрытого, но все-таки есть нюансы, которые невозможно учесть, пока не будет определенной практики.
Предлагаем обзор типичных ошибок, допускаемых при монтаже проводки:
Начинающие электрики допускают и другие ошибки. Мы перечислили только самые распространенные.
Важно помнить, что монтаж электропроводки сопряжен со множеством рисков, поэтому перед началом работ следует тщательно изучить технологию.
Инструктаж по монтажу электропроводки в кабель-канале:
Полезные советы по установке розеток:
Основные ошибки, которые допускают при подключении УЗО:
В теории технология обустройства открытой проводки выглядит простой и понятной. А вот когда доходит до практики, многие владельцы домов совершают массу ошибок.
Беритесь за самостоятельный монтаж только в том случае, если обладаете нужными знаниями для разработки и реализации проекта. Если нет, то не рискуйте жизнью и поручите эту работу электрикам .







